• +7(8639) 24-18-11
  • +7(938)124-66-70
  • metalev@mail.ru
МЦЭ
  • Главная
  • Компания
    • Контакты
    • Вакансии
    • Партнеры
    • Политика обработки персональных данных
  • Услуги
    • Монтажные работы
    • Ремонтные работы
    • Обслуживание газовых котельных
    • Промывка систем отопления
    • Тепловизионное обследование
    • Проектирование
    • Установка погодного регулирования ИТП
    • Сметы
  • Документация
    • Опросный лист для подбора ИТП
    • Форма обратной связи по промывке систем отопления.
    • Проекты
  • Новости
Войти

Проекты

  • Блок ввода и учета
  • Блок гвс
  • Блок отопления
  • Тепловой пункт в сборе

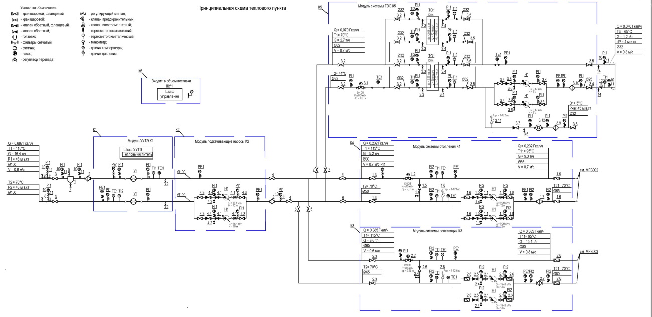
Тепловой пункт

Паспорт БТПА скачать

btp

Image
Тепловой пунк в сборе
PDF
© 2018- ООО "МЦЭ"
  • Главная
  • Компания
    • Контакты
    • Вакансии
    • Партнеры
    • Политика обработки персональных данных
  • Услуги
    • Монтажные работы
    • Ремонтные работы
    • Тепловизионное обследование
    • Установка погодного регулирования ИТП
    • Обслуживание газовых котельных
    • Промывка систем отопления
    • Сметы
    • Проектирование
  • Документация
    • Опросный лист для подбора ИТП
    • Форма обратной связи по промывке систем отопления.
    • Проекты
  • Новости